首页    产品中心    JDZW-3、6、10(R)
JDZW-3、6、10(R)

型号及其含义:

image.png

技术参数:

image.png


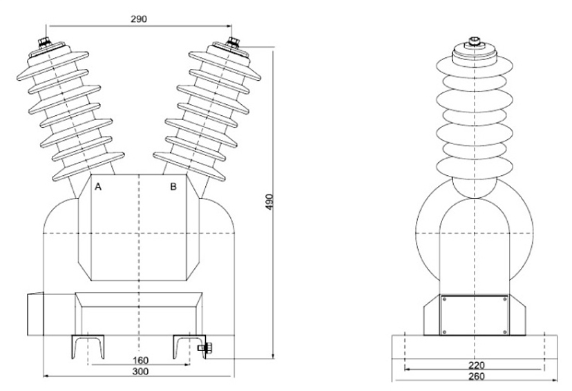
外形图及安装尺寸:

image.png


订货时请提供以下参数:
1、产品型号;
2、额定电压比kv;
3、准确级组合及额定输出VA;
4、环境海拔高度m;
注:用户如有特殊要求可与我公司协商确定;

联系手机:黄经理:18066308316

湖北省大冶市开元大道3号2号综合厂房302号

①本公司名称全程使用”湖北大一互科技有限公司”全称,不使用简称

②我公司与其他地区同名公司无关联,请购买前先去企查查查询清楚

COPYRIGHT@ 湖北大一互科技有限公司 ALL RIGHT RESERVED

© 2024