产品概述:
LZZB7-35型电流互感器适用于额定频率为50Hz或60Hz、额定电压为35kV的电力系统中,作电能计量、电流测量和继电保护用。产品执行标准为GB20840.1-2010、GB20840.2-2014。
型号及其含义:

正常使用条件:
安装场所: 户内。
环境温度: 最高气温40℃;最低气温-5℃;日平均气温不超过30℃。
大气条件: 大气中无严重污秽。
结构与特点:
本型电流互感器为环氧树脂浇注全封闭结构,具有优良的绝缘性能和防潮能力。该产品轮廓清晰、外形美观且容易表面清洁。产品底板上有接地螺栓及供安装用的四个安装孔。
技术参数:

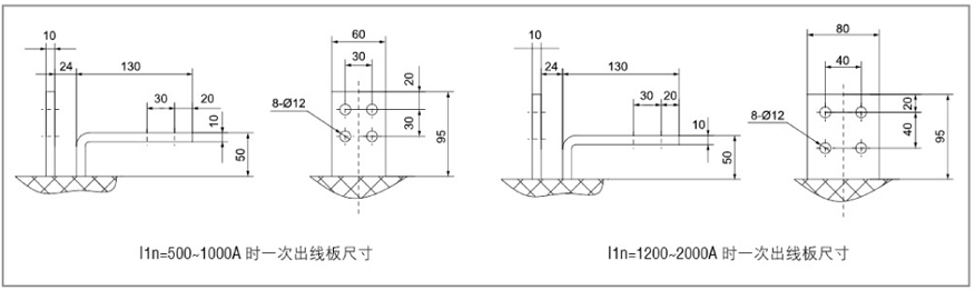
外形图及安装尺寸:


订货时请提供以下参数:
1、产品型号;
2、额定电流比A;
3、准确级组合及额定输出VA;
4、环境海拔高度m;
注:用户如有特殊要求可与我公司协商确定;